Systém PENETRON

Systém PENETRON

Kryštalická technológia PENETRON zvyšuje odolnosť, pevnosť, celkový výkon a životnosť betónu.
Naše cementové kapilárne hydroizolačné produkty kombinujú vysokokvalitné cementy, kremeň, piesok (špeciálneho stupňa) a patentované aktívne zložky, aby poskytli najefektívnejší systém na trvalé zníženie priepustnosti a vodotesného betónu.

Ako to funguje

Produkty PENETRON sú vyrábané a neustále optimalizované v našom vývojovom centre a výrobnom závode v USA. Penetron International, Ltd. je certifikovaný podľa noriem ISO 9001:2015 a ISO 14001:2015 od TUV Rheinland zo Severnej Ameriky. Kvalitu našich produktov zaručuje značka Penetron. Náš záväzok ku kvalite sa neobmedzuje len na naše produkty, ale zahŕňa aj naše tímy technickej podpory po celom svete.

Všeobecný príklad fungovania systému Penetron

1. Chemikálie Penetron prenikajú do trhlín, mikrotrhlín a kapilárnych ciest betónu prostredníctvom osmózy, Brownovho pohybu a suchých častíc.
2. Aktívne zložky Penetronu reagujú s betónovými minerálmi za vzniku nerozpustných kryštálov, ktoré vyplnia trhliny, póry a dutiny až do šírky 500 mikrónov. Tento kryštalický rast prebieha hlboko vo vnútri betónovej konštrukcie až do jedného metra od miesta aplikácie.
3. Molekuly vody (a široká škála chemikálií) už nemôžu prechádzať cez betón. Vzduch však môže stále prechádzať, čo umožňuje betónu dýchať. Tým sa zabráni vytváraniu tlaku pár.
4. Pri absencii ďalšej vlhkosti zostávajú zložky Penetronu nečinné. Ak by sa vlhkosť kedykoľvek znovu objavila, samoopravný proces sa automaticky obnoví a postúpi hlbšie do betónu.

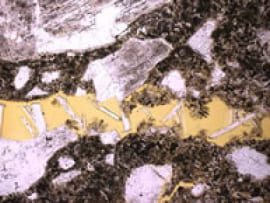
Po aktivácii je možné vidieť hrubozrnné predĺžené kryštály a jemnozrnné ihličkovité kryštály lemujúce trhlinu. Tieto kryštály úplne zaplnia trhlinu, čím betón hydroizoluje a znižuje priepustnosť.

Rovnaká trhlina (zachytená spätne rozptýleným elektrónovým obrazom) je utesnená tvorbou kryštálov PENETRON.

Detailný záber jasne ukazuje pretiahnuté kryštály a jemné ihličkovité kryštály v trhline.

10 000 násobné zväčšenie ukazuje vývoj kryštálov znižujúcich priepustnosť.